SALTER S-100 BIKE Cykel Indoor Silver Owner’s Manual
- June 11, 2024
- SALTER
Table of Contents
- SALTER S-100 BIKE Cykel Indoor Silver Owner’s Manual
- .SAFETY INSTRUCTIONS
- ASSEMBLY INSTRUCTIONS
- ADJUSTMENTS & USAGE GUIDE
- ADJUSTING THE HANDLEBAR
- ADJUSTING THE RESISTANCE
- __ EMERGENCY BRAKE
- ADJUSTING THE BALANCE
- TRANSPORTING THE BIKE
- EXPLODED DRAWING
- PARTS LIST
- COMPUTER INSTRUCTIONS
- Read More About This Manual & Download PDF:
- References
- Read User Manual Online (PDF format)
- Download This Manual (PDF format)
SALTER S-100 BIKE Cykel Indoor Silver Owner’s Manual
.SAFETY INSTRUCTIONS
- Read all warnings posted on the
- Read this Owner’s Manual and follow it carefully before using the equipment .
- We recommend that two people be available for assembly of this
- Keep children and pets away from the Do not allow children and pets to use or play on the equipment.
- Make sure it is correctly assembled before start using
- Place the equipment in a dry area away from humid, saline or corrosive
- Set up and operate the equipment on a solid level Do not position the equipment on loose rugs or uneven surfaces.
- Inspect the equipment for worn or loose components prior to each
- Replace any loose or worn components prior to using the equipment and/or or keep the equipment out of service until it has been completely
- Do not wear loose or dangling clothing while using the
- Never exercise in bare feet or socks; always wear correct footwear, such as running, walking or cross- training
- Be careful to maintain your balance while using, mounting, dismounting, or assembling the equipment loss of balance may result in a fall and serious bodily injury.
- Keep both feet firmly and securely on the foot pedals or on the band (in case of treadmills) while
- The equipment should not be used by persons weighing over 120
- The equipment should be used by only one person at a
- The equipment is for home
- Make sure that adequate space is available for access to and passage around the equipment; keep at least a distance of 1 meter from any obstruction object while using the
- Do the maintenance of the equipment indicated in this
ATTENTION: Before starting any exercise or conditioning program you should consult with your personal physician to see if you require a complete physical exam. If, at any time during exercise, you feel faint, dizzy, or experience pain, stop and consult your physician. Follow your physician’s recommendations in developing your own personal fitness program. Always choose the workout which best fits your physical strength and flexibility level. Know your limits and train within them. Always use common sense when exercising.
ASSEMBLY INSTRUCTIONS
**** STEP 1:
Remove Shipping Tubes (No.89) from Main Frame (No. 1) by removing 4 Screws
(No. 88) and 4 Washers (No. 53) with Allen Wrench (No. 36).
You can save these parts for future packaging and transportation of the bike
if desired. {Screws (No.88), Washers (No. 53), Shipping Tubes (No. 89)}
STEP 2:
Attach the Front and Rear Stabilizers (No.6 & No.7) to the Main Frame (No.1) using 4 Screws (No.52) and 4 Flat Washers (No.53). Tighten and secure with Allen Wrench (No.36).
STEP 3 :
WARNING! Read instructions carefully as improper assembly may cause
permanent damage to your bike. (Before you begin, immobilize the cranks by
turning the tension knob all the way to the right).
Attach Left Pedal (No. 23L) counter-clockwise into its corresponding
Left Crank (No. 15). Once screwed in place, secure with Spanner(No.
35).
Attach Right Pedal (No. 23R) clockwise into its corresponding Right
Crank (No.16). Once screwed in place, secure with Spanner (No. 35).
Rotate the L-shaped knob (No.32) clockwise by hand into the hole of the
Main Frame (No.1).
STEP 4:
- First, connect the Spring Line (No.11) on the Riser assembly (No.4) with the Induction Line (No.10) on the Main frame (No.1).
- Then loosen the L Knob ( No.32 ) counterclockwise and insert the Riser Assembly (No.4) into the Main Frame (No.1).
STEP 5:
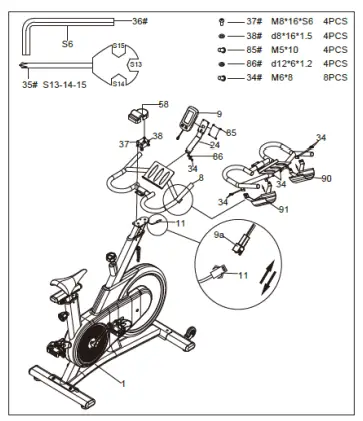
- First install the handle assembly (No.8) on the main frame assembly (No.1) on the riser, and then lock the handle with wrench (No.36) using 4 screws (No.37 ) and 4 gaskets (No.38 ).
- Attach the table bracket bonding (No.24) on the handle bonding (No.8) , and lock 2 screws (No.34 ) and 2 gaskets (No.86) with a wrench (No.35 ). Then attach the electronic watch (No.9) on the table bracket bonding (No.24) , tighten and secure with lock 4 screws (No.85) by a wrench (No.35 ).
- As shown in the figure, connect the electronic watch wire (9a) with the sensor wire (No.11) , and then attach the handle cover (No.58) on the handlebar (No.8).
- Install the left and right kettle holder (No.90) and (No.91) according to the diagram, first remove the screw (No.34) on the handle (No.8) , align the left kettle holder (No.90) to the hole position on the handle (No.8) , then install the screw (No.34) to the corresponding hole position with the wrench (No.35) , repeat the above action to install the kettle holder (No.91) , then complete the installation of the kettle
The assembly is now complete!
ADJUSTMENTS & USAGE GUIDE
ADJUSTING THE SEAT
The seat of this bike is fully adjustable as it moves Up , Down, Fore
(forward), Aft (backward).
To adjust the height of the Seat Slider Tube (No. 5), loosen and pull
the Adjustment Knob (No. 62) outward, then raise or lower the seat to the
desired height. Once adjusted, re-insert and tighten the Adjustment Knob
(No.62) to secure the seat in place. To adjust the seat back and forth,
loosen and pull Adjustment Knob (No. 74) outward, then slide the Seat
Post (No.2) to the desired position. Once positioned, re-insert and tighten
the Adjustment Knob (No. 74) to secure the seat slider tube in place
ADJUSTING THE HANDLEBAR
It is important that the handlebar and seat are both set to the correct height of your body. To adjust the handlebar height, loosen and pull the Adjustment Knob (No. 32) outward, then slide the Handlebar Post (No. 4) up or down to the desired height. Once adjusted re-insert and tighten the Adjustment Knob (No.32) to secure the handlebar post in place.
ADJUSTING THE RESISTANCE
Adjust the resistance of the bike using the Tension Knob (No. 63). Increase the level of resistance by turning the tension knob to the RIGHT (clockwise), decrease the level of resistance by turning the tension knob to the LEFT (counter-clockwise).
__ EMERGENCY BRAKE
During use, users can stop the bike completely by pushing down on the Tension Knob (No. 63). Pushing down on the tension knob will enforce the brake and bring the bike to an immediate stop.
ADJUSTING THE BALANCE
In order to achieve a smooth and comfortable ride, you must ensure that the stability of the bike is secured. If you notice that the bike is unbalanced during use, you should adjust the foot levelers located beneath the Front and Rear Stabilizers of the bike. To do so, turn the foot pad clockwise (direction A) by hand to loosen and adjust the height. Turn counter-clockwise (direction B) and tighten to reduce the height until it is parallel to the surface of the bike. When you adjust the front and rear foot pads, adjust as described above to ensure that the front and rear foot tubes are level with the ground. If necessary, repeat this procedure to adjust the balance
TRANSPORTING THE BIKE
To move the bike, first ensure that the Handlebar (No. 8) is properly secured. If the handlebar is loose, tighten the Adjustment Knob (No. 32) to secure it. Next, stand at the front of the bike so that you’re directly in front of the handlebar. Firmly grasp and hold each side of the Handlebar(No.8) , place one foot on the front stabilizer and tilt the bike towards you until the transportation wheels on the front stabilizer touch the ground. With the wheels on the ground, you can transport the bike to the desired location with ease.
NOTE: When moving the bike, always use caution as unexpected impact, such as dropping the bike, may cause injury to you and affect the bike’s performance.
EXPLODED DRAWING
PARTS LIST
| No. | Especificaciones | Cant | No. | Especificaciones | Cant |
|---|---|---|---|---|---|
| 1 | N/A | 1 | 47 | M610ф12 | 2 |
| 2 | N/A | 1 | 48 | ST4.219Φ8 | 8 |
| 3 | N/A | 1 | 49 | M412Φ8 | 1 |
| 4 | N/A | 1 | 50 | ф20ф10.52.0 | 1 |
| 5 | N/A | 1 | 51 | ST4.220ф8 | 2 |
| 6 | N/A | 1 | 52 | M1025S6 | 4 |
| 7 | N/A | 1 | 53 | φ10φ201.5 | 8 |
| 8 | N/A | 1 | 54 | D6ф202.0 | 1 |
| 9 | L=100 | 1 | 55 | 849.547083 | 1 |
| 10 | Φ6*26 L=750 | 1 | 56 | 849.547083 | 1 |
| 11 | L=500mm | 1 | 57 | Φ227Φ5011 | 2 |
| 12 | 6004-2RZ | 2 | 58 | 1258042 | 1 |
| 13 | 23205 | 3 | 59 | PT10040PT803020 3 | 1 |
| 14 | φ201704-M8*φ90 | 1 | 60 | PT10040PT803020 3 | 1 |
| 15L | 32*152 | 1 | 61 | 825037 | 1 |
| 16R | 32*152 | 1 | 62 | Φ5270.5M16.*1.5 | 1 |
| 17 | 6.5KG*Φ400 | 1 | 63 | Φ6539M10 | 1 |
| 18 | M650Φ12.3*2.5 | 2 | 64 | F1717150 | 1 |
| 19 | Φ18Φ12.231 | 1 | 65 | 6PJ550 | 1 |
| 20 | Φ12135M12*1.0 | 1 | 66 | 98-2 | 1 |
| 21 | 6201-2RS | 2 | 67 | ф50ф3027 | 1 |
| 22 | φ26φ21*0.3 | 1 | 68 | Φ4510M10*20 | 4 |
| 23L/R | 9/16 | 1 | 69 | 104.544.510 | 1 |
| 24 | weld assembly | 1 | 70 | 104.544.510 | 1 |
| 25 | φ1.6φ12N14*45 | 1 | 71 | ф71ф1924 | 2 |
| 26 | φ25φ20.24 | 1 | 72 | 1706515 | 1 |
| 27 | φ10270M1020M6*30 | 1 | 73 | 30308 | 1 |
| 28 | □151525 | 1 | 74 | Φ5057M10*22 | 1 |
| 29 | 608ZB | 4 | 75 | Φ26020Φ20.1*4 | 1 |
| 30 | φ20*1.1 | 1 | 76 | 603030 | 2 |
| 31 | 3011.311.8*T1.5 | 2 | 77 | 804020 | 4 |
| 32 | M161.5257889 | 1 | 78 | Φ17Φ112.0 | 1 |
| 33 | φ15.5φ120.3 | 1 | 79 | Φ16 | 1 |
| 34 | M6*8 | 8 | 80 | 23120.5 | 6 |
| 35 | S=13、14、15 | 1 | 81 | φ1714.5φ10 | 1 |
| 36 | S6 | 1 | 82 | Φ17Φ1419 | 2 |
| 37 | M816S6 | 4 | 83 | Φ22*10 | 2 |
| 38 | D8φ161.5 | 8 | 84 | φ15φ12φ4*12.5 | 1 |
| 39 | M810S6 | 4 | 85 | M5*10 | 4 |
| 40 | M6H6S10 | 3 | 86 | φ12φ61.2 | 4 |
| --- | --- | --- | --- | --- | --- |
| 41 | M101.5H5*S17 | 1 | 87 | T36018 | 1 |
| 42 | M101.25H7.5*S14 | 2 | 87 | T36018 | 1 |
| 43 | M121.0S19*H6 | 4 | 88 | M1015S6 | 4 |
| 44 | M6H5S10 | 2 | 89 | 2 | |
| 45 | M612S5 | 3 | 90 | 1 | |
| 46 | φ7.830M61S5 | 3 | 91 | 1 |
COMPUTER INSTRUCTIONS
**** ■ FUNCTIONAL BUTTONS:
- MODE
① Select the window to be set.
② When exercise (icon display), scan (with icon )or display : SPEED / AVG.
SPEED / MAX SPEED, CALORIES/RPM.
③ Reset: hold for 2 seconds to reset all data.
2. SET
① Set the values of the relevant display window, hold for quick increase.
② In other modes, scan (with icon ) or display: SPEED
/ AVG. SPEED / MAX SPEED, CALORIES/RPM.
3. RESET
During SET, reset the value of the relevant display window.
4 .ALL RESET
Press it at any time to reset all display values
■ FUNCTION
- **** SPEED / AVG. SPEED / MAX SPEED: Window A displays
The current exercise speed, and the avg. speed & max speed during exercise.
- TIME: Window B displays
① Count the cumulative time from the exercise start to the end, and it will automatically stop timing if without exercise signal over 6 seconds.
② Exercise time can be set, MAX 99 minutes, each press to add 1 minute, countdown to zero, the TIME will flash and beep for 5 seconds.
- DISTANCE: Window C displays
① Count the cumulative distance from the exercise start to the end in KM
② Exercise distance can be set, MAX 99 KM, each press add 0.1, countdown to zero, the DIST will flash and beep for 5 seconds.
- CALORIES/RPM: Window D displays
① Count the cumulative calories consumed from exercise start to the end, and also the current RPM (or cadence).
② The calorie value can be set, MAX 999, each press add 1, countdown to zero, the CAL will flash and beep for 5 seconds.
- AUTO OFF
Read More About This Manual & Download PDF:
References
Read User Manual Online (PDF format)
Read User Manual Online (PDF format) >>
